固封環保PT隔離/接地開關
-
- 產品概述
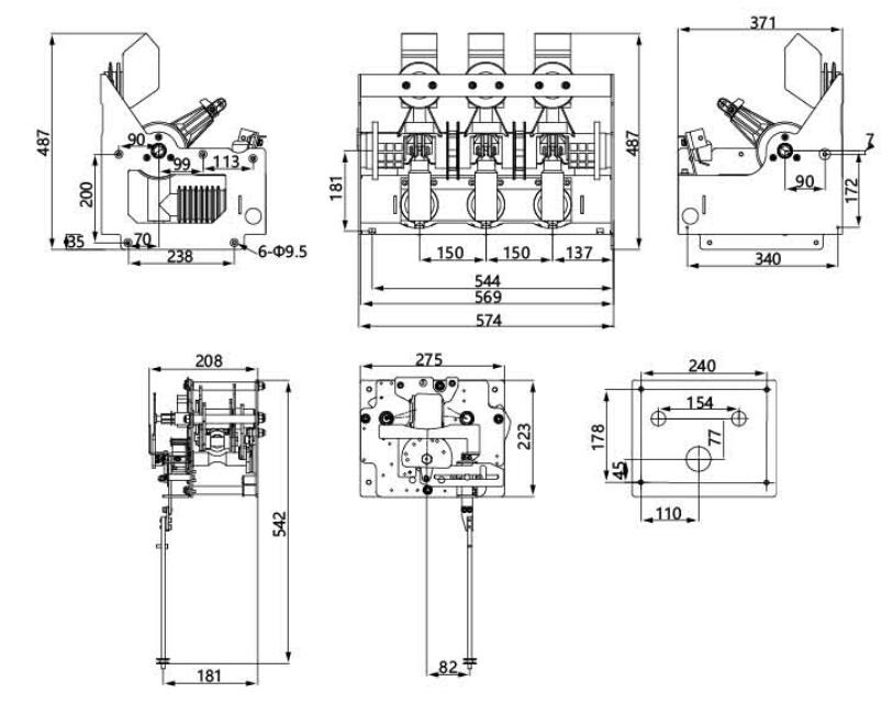
- 公司自主研發生產的新型環保復合絕緣隔離接地開關,結構設計緊湊,開關本體安裝于密封氣箱內,具有環境適應性強、相對空氣絕緣開關體積小安裝方便、操作靈活、運行穩定等特點,可有效減少城市占地空間;同時,結構設計上考慮了滿足干燥環保氣體零表壓時絕緣性能要求,不需充SF6氣體加強絕緣,從而抑制了溫室氣體的排放。本產品技術水平高,工藝精湛,性能穩定,運行安全可靠。本產品通過了短時耐受電流和峰值耐受電流試驗、高/低溫試驗、機械壽命、零表壓狀態下絕緣試驗、局放試驗、主回路1.1倍額定連續電流溫升試驗、接地開關額定短路關合能力(5 次電壽命)試驗等標準要求的所有試驗。
-
型號及其含義
執行標準
GB/T 1985 高壓交流隔離開關和接地開關
DL/T 486 高壓交流隔離開關和接地開關
使用環境條件注意事項
海拔高度不超過2000m,耐受地震能力(水平加速度) 2m/s2;
周圍空氣溫度不超過+50°C,且在24小時內測得最低氣溫不低于-40°C;
經常劇烈震動場所,存在明顯影響性能的水蒸氣、氣體、化學腐蝕沉淀、鹽霧、灰塵污垢的場所及爆炸、火災危險環境不適合使用。
技術參數
額定電壓 12kV 額定連續電流
630A 額定頻率 50Hz 電壽命
接地短路關合能力 5/E2 (次) 額定短時耐受電流 (有效值)及持續時間 主回路/接地開關 20/4; 25/4 (kA/s) 接地連接回路 17.4/2; 21.75/2 (kA/s) 額定峰值耐受電流 主回路/接地開關 50; 63 (kA) 接地連接回路 43.5; 54.8 (kA) 機械壽命 隔離/接地開關 5000 (次) 絕緣試驗 主回路1min工頻耐壓:
相間、對地/斷口
42/48 (kV) 主回路雷電沖擊(12/50us)
耐壓:相間、對地/.斷口75/85 (kV) 輔助控制回路1min工頻耐壓 2 (kV) 輔助回路控制電壓(V) 24、48、110、220DC 110、220AC
將機構安裝固定在開關本體上,用專用操作手柄插入到機構隔離操作軸,順時針旋轉約75°完成隔離合閘操作,逆時針旋轉約75°完成隔離分閘操作。
用專用操作手柄插入到機構接地操作軸,逆時針旋轉約75°完成接地合閘操作,順時針旋轉約75°完成接地分閘操作。
同類產品
-
上一篇:固封環保斷路器/下隔離接地開關
下一篇:半固封環保斷路器/上隔離接地開關
