MNS型低壓抽出式開關柜
-
- 產品概述
- MNS低壓抽出式開關柜是我公司引進國外先進技術生產的低壓成套設備,適用于發電廠、變電所、工礦企業、高層建筑等各種工礦企業配電系統。該產品技術水平達到國際先進水平。并通過國家3C強制認證,性能可靠。
-
■ 使用條件
1、周圍空氣溫度不高于+40℃,不低于-35℃,并且24小時內其平均溫度不高于+35℃
2、大氣條件:空氣清潔,相對濕度在最高溫度為+40℃時不超過50%,在較低時允許有較高的濕度,例如:+20℃時為90%。
3、海拔高度不超過1000m。
4、安裝傾斜度不超過5度。
5、無顯著振動和沖擊振動的地方。
6、無爆炸危險的介質中,且介質無足以腐蝕和破壞絕緣的氣體和塵埃(包括帶電塵埃)。■ 技術參數
序號
名 稱
單位
參 數
1
額定絕緣電壓
V
660
2
額定工作電壓
V
660
3
主母線工作電流
A
1250、2000、2500、3200、4000、5000、6300
4
主母線短時(1s)耐受電流(有效值)
kA
100
5
主母線短時峰值電流(******值)
kA
250
6
配電母線(垂直母線)******工作電流
A
1000
7
配電母線(垂直母線)短時峰值電流(******值)
標準型
kA
90
加強型
130
8
防護等級
IP30、IP40、IP54
■ 技術關鍵點
●設計緊湊:以較小的空間容納較多的功能單元。
●結構通用性強,組裝靈活:以25mm為模數的C型型材能滿足各種結構型式、防護等級及使用環境的要求。
●采用標準模塊設計:分別可成保護、操作、轉換、控制、調節、測定、指示等標準單元,用戶可根據需要任意選用組裝,以200余種組裝件可以組成不同方案的柜架結構和抽屜單元。
●安全性:大量采用高強度阻燃型工程塑料組件,有效加強防護安全性能。
● 技術性能高:主要參數達到當代國際技術水平。
●占地少:可大大壓縮儲存和運輸預制件的場地。
●裝配方便:不需要特殊復雜工具。
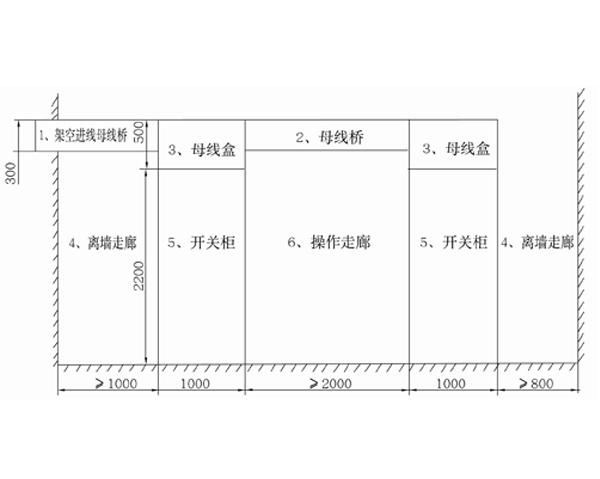
● 可選用美觀新穎的玻璃門面結構,既提高了安全性,又提高了防護等級,其防護等級可達IP54。■ 外形結構及安裝示意圖
MNS低壓抽屜式開關柜柜體示意圖
MNS低壓抽屜式開關柜安裝示意圖
同類產品
-
下一篇:GCS型低壓抽出式開關柜
